1.應急照明燈的電源除了正常電源供電外,還由另外一種電源來供電,或是由獨立于正常電源的柴油發電機組來供電,或是由蓄電池柜、自帶電源型應急燈具供電。
2.在正常電源斷電后,應急照明燈的電源轉換時間為疏散照明≤15s、備用照明≤15s、(金融商店交易所≤1.5s):安全照明≤0.5s。
3.疏散照明通常由安全出口標志燈與疏散標志燈組成,其中安全出口標志燈距離地面不可低于2m,且要安裝于疏散出口與樓梯口里側的上方。
4.對安裝在安全出口頂部、樓梯間、疏散走道及其轉角處的應急照明燈,需安裝在墻面1m以下的位置,而不易安裝的部位可安裝于上部。另外,疏散通道上的標志燈間距≤20m,人防工程不大于10m。
5.對于應急照明燈的設置,不可對正常通行照成影響,且不可在周圍設置易于混淆同應急照明燈的其他標志牌等。
6.應急照明燈及運行中溫度會大于60℃的燈具,當靠近可燃物時需采取隔熱、散熱等防火措施,采用白熾燈與鹵鎢等光源時,不可直接將其安裝于可燃裝修材料或可燃物件上。
7.每個防火分區,應急照明燈都由獨立的應急照明回路穿越,不同防火分區的線路都設有防火隔堵措施。
8.疏散照明線路采用耐火電線、電纜,進行穿管明敷,或在非燃燒體內穿剛性導管進行暗敷,對于暗敷,保護層厚度≥30mm,電線采用額定電壓不低于750v的銅芯絕緣電線。
應急照明燈接線圖
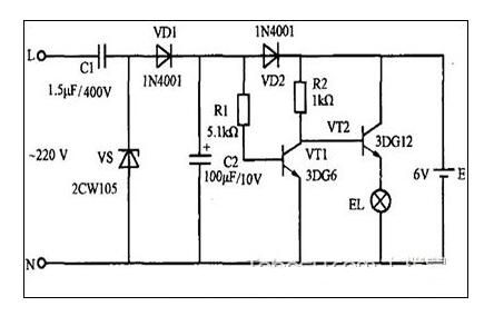
?? 一.白幟燈應急照明燈接線圖
如下圖所示,當市電電網正常供電時,220V的交流市電電壓經電容C1壓,再經二極管VD1的半整流和電容C2的濾波之后,以約90mA的脈沖電流給電池充電。同時,由于晶體管VT1基極加上正偏壓而處在導通的狀態,使得VT2處于截止狀態,燈泡EL不亮。一旦市電電網斷電,晶體管VT1由導通變成截止,VT2由截止變成導通,燈泡被點亮。二極管VD2的作用是隔離電池和VT1的基極,保證市電一停,VT1轉向截止。當市電恢復供電后,VT1導通,EL熄滅,電路復位。
二.熒光燈應急照明燈接線圖

如下圖所示,晶體管VT與變壓器T的一次繞組構成電感三點式振蕩器,將蓄電池的交流電壓經變壓器的升壓作用,在L3上獲得較高的交流電壓,以使8W熒光燈點亮,作為應急燈使用。電阻R為晶體管VT的基極偏置電阻,適當調整它可改變逆變輸出功率。制作時,變壓器的磁芯可用電視機的行輸出變壓器的磁芯,L1用Φ0.35mm漆包線纏繞40圈,L2用Φ0.35mm漆包線纏繞40圈,L3用Φ0.16mm漆包線繞300圈。晶體管VT選擇3DD15A,電阻阻值為1kΩ左右,功率為1/8W。
應急照明燈價格不高,幾十元一個,安裝費用根據安裝個數來計算,通常每個市4~8元,具體的費用得根據當地的物價和環境來確定。